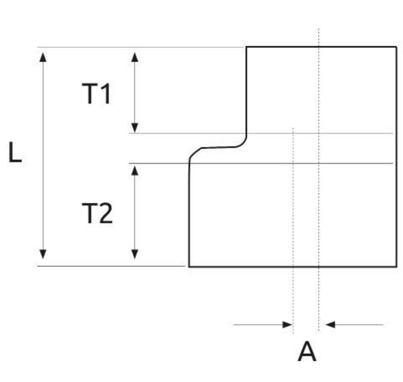
CIS 200mm x 100mm Reducer

Product Code: 52171

In Stock

Description

Cast Iron Reducer

Brymec's high-quality cast-iron tube and fittings range offers solution for soil, waste, and rainwater drainage. The Brymec lightweight, dry jointed pipework system is BBA certified, Kitemark certified and compliant with BS EN 877 which is the European standard for cast iron pipes and fittings. The full range consists of socketless cast iron tube and fittings jointed with either ductile iron or stainless steel rubber lined couplings.

Features and Benefits

  • Highly fire resistant Cast Iron has non-combustible rating (A1) for BS EN 1350-1
  • Long lasting An expected life span of over 40 years and 100% recyclable
  • Exceptional acoustic performance The performance of the Brymec cast iron range is exceptional. Tested in accordance with BS EN 14366: 2004
  • Quick installation time Simple jointing method, no specialist tooling or training required
  • Low maintenance With epoxy coatings the full range requires minimal maintenance over the course of its lifetime
  • High strength Cast iron by nature is highly robust and strong material ensuring protection from damage caused by handling or van
  • 10 year warranty
Technical Data
BrandBrymec
MaterialGrey Cast Iron with lamellar graphite
ColourRed
TypeReducers
ApprovalsComplies with BS EN 877
Size (metric)200mm
FinishCross-linked red-brown colour resin epoxy coating

Downloadable Resources

View all resources

Resource Name

File Type

Options

Brymec Cast Iron Technical Manual 061224

File Type

PDF

Cast Iron Eccentric Reducer Technical Data Sheet

File Type

PDF

Brymec Cast Iron Environmental Product Declaration (EPD)

File Type

PDF

Brymec-Cast Iron Drainage-BIM-Revit Family

File Type

RFA

Brymec-Cast Iron Drainage-BIM-Revit Family

File Type

RFA

Brymec-Cast Iron Drainage-CAD File

File Type

DWG